Toilet elettrica "Quiet Flush" Serie 37245 - acqua salata

Toilet elettrica "Quiet Flush" Serie 37245 - acqua salata

Pompa precarico Serie 31331

Interruttore Toilet - Serie 37047




Toilet elettrica "Quiet Flush" Serie 37245 - acqua salata
MODELLI:
37245-3092 (0303724532): Toilet compatta (tazza piccola), 12 Volt
37245-3094 (0303724534): Toilet compatta (tazza piccola), 24 Volt
37245-4092 (0303724542): Toilet regular (tazza grande), 12 Volt
37245-4094 (0303724544): Toilet regular (tazza grande), 24 Volt
37245-4192 (0303724592): Toilet regular (tazza grande), 12 Volt "SOFT CLOSE"
37245-4194 (0303724592): Toilet regular (tazza grande), 24 Volt "SOFT CLOSE"
- Ciclo di svuotamento molto silenzioso - simile al WC di casa.
- Azionatore di svuotamento ad un solo pulsante - con interruttore di controllo del livello dell'acqua a due funzioni.
- Tazza in porcellana vetrificata bianca, disponibile nei modelli compatto (tazza piccola) o regolare (tazza grande).
- Maceratore dei rifiuti di elevata capacità e pompa di scarico della tazza.
- I modelli sono dotati di pompa d'evacuazione con maceratore potente che disgrega le scorie e svuota il water.
- I modelli sono forniti di tubo flessibile bianco da 2 m per collegare ordinatamente il bocchettone della tazza all'ingresso pompa .
Specifiche Prodotto
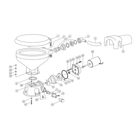
Ricambi
Lista ricambi
Rif. | Descrizione | Quantità | Codice Originale | Codice Jabsco |
---|---|---|---|---|
1 | Asse e Coperchio Compact (piccola) | 1 | 29097-1000 | 0392909700 |
1 | Asse e Coperchio Standard (grande) | 1 | 29127-1000 | 0392912700 |
1a | Kit perni-staf-viti Compact (piccola) | 1 | 29098-1000 | 0392909810 |
1a | Kit perni-staf-viti Standard (grande) | 1 | 29098-2000 | 0392909820 |
2 | Tazza modello Compact (piccola) | 1 | 29096-0000 | 0392909600 |
2 | Tazza modello Standard (grande) | 1 | 29126-0000 | 0392912600 |
3 e 4 | Raccordo tazza WC | 1 | 58107-1000 | 0395810700 |
5 | Tubo toilet | 1 | 29035-1031 | 0392903531 |
6 | Coperchio motore | 1 | 37042-1000 | 0393704210 |
7 | Viti fissaggio tazza | 1 | 18753-0637 | 0391875337 |
8 | Anello di tenuta | 1 | 44101-1000 | 0394410110 |
9 | Base toilet (comprende ricambi dal n° 7 al 13) | 1 | 37004-1000 | 0393700400 |
10 | Adattatore | 1 | 98023-0080 | 0399802380 |
11 | Valvola non-ritorno | 1 | 44106-1000 | 0394410610 |
12 | Raccordo di scarico | 1 | 44107-1000 | 0394410710 |
13 | Vite (3pz) | 3 | 96050-0568 | 0399605068 |
14 | Trituratore toilet | 1 | 37056-1000 | 0393705610 |
15 | Scatola maceratore | 1 | 37014-0000 | 0393701400 |
16 | Girante | 1 | 37006-0000 | 0393700600 |
17 | Vite (3pz) | 3 | 91084-0320 | 0399108432 |
18 | O' RING | 1 | 43990-0066 | 0394399066 |
19 | Anello di tenuta | 1 | 1040-0000 | 0390104000 |
21 | Guarnizione | 2 | 35445-0000 | 0293544500 |
22 | Scatola tenuta | 1 | 37043-1000 | 0393704310 |
24 | Vite (4pz) | 4 | 91027-0011 | 0399102711 |
25 | Ritegno (3 pz) | 3 | 6342-0000 | 0190634203 |
26 | Motore - 12 Volt | 1 | 18753-0554 | 0391875354 |
26 | Motore - 24 Volt | 1 | 18753-0555 | 0391875355 |
27 | Pompa 12V | 1 | 31331-0092 | 0323133192 |
27 | Pompa 24V | 1 | 31331-0094 | 0323133194 |
28 | Interruttore QUIET | 1 | 37047-2000 | 0393704710 |
Kit motore 12V- Serie 37072
Rif. | Descrizione | Quantità | Codice Originale | Codice Jabsco |
---|---|---|---|---|
Dal ricambio n° 14 al 26 | Kit motore 12V | 37072-0092 | 0313707292 |
Kit motore 24V- Serie 37072
Rif. | Descrizione | Quantità | Codice Originale | Codice Jabsco |
---|---|---|---|---|
Dal ricambio n° 14 al 26 | Kit motore 24V | 37072-0094 | 0313707294 |